全国2010年10月高等教育自学考试计算机通信接口
编辑整理:浙江自考网 发表时间:2018-05-24 【大 中 小】
全国2010年10月高等教育自学考试计算机通信接口技术试题
课程代码:02369
注:接口芯片的控制字请参阅附录.
一、单项选择题(本大题共20小题,每小题1分,共20分)
在每小题列出的四个备选项中只有一个是符合题目要求的,请将其代码填写在题后的括号内.错选、多选或未选均无分.
1.IBM PC/XT机的内部数据总线为16位,地址总线为( )
A.16位
B.20位
C.24位
D.32位
2.Pentium机的内部数据总线为64位,系统总线标准是( )
A.ISA总线
B.PCI总线
C.ISA+PCI总线
D.HOST总线
3.PC机可屏蔽硬件中断结构由两片8259A中断控制器串级构成,允许连接15个硬件中断源,其中中断级别最低的是( )
A.IRQ0计时器
B.IRQ1键盘
C.IRQ3串行口2
D.IRQ7并行口1
4.RS-232C标准规定控制信号的接通电平是( )
A.+3V~-3V
B.+5V~-5V
C.-15V~-5V
D.+5V~+15V
5.在串行异步数据传送时,如果格式规定8位数据位,1位奇偶校验位,1位停止位,则一帧的长度是( )
A.8位
B.9位
C.10位
D.11位
6.82C55端口引脚在复位时被内部编程为( )
A.输入引脚
B.输出引脚
C.控制引脚
D.状态引脚
7.74LS244是( )
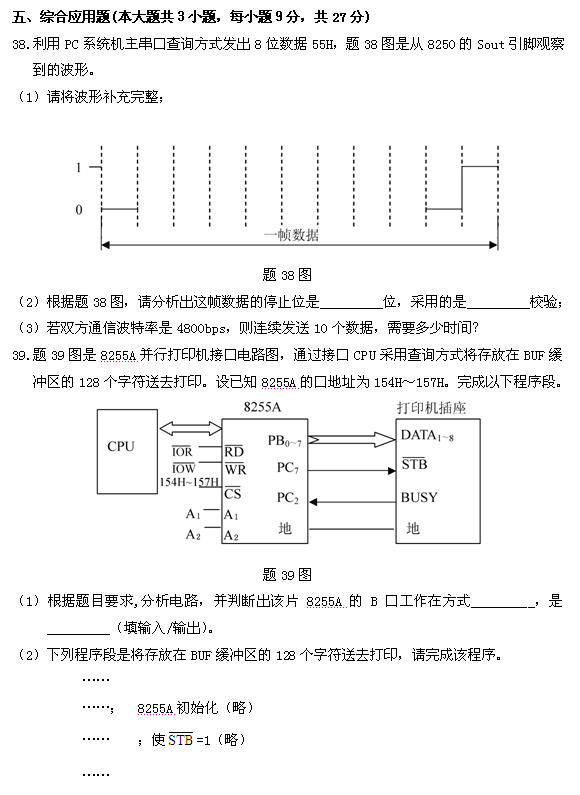
A.八位缓冲器
B.单稳态触发器
C.八位锁存器
D.译码器
8.设8254的fclk2=3.2768MHz,控制字=0B6H,要求=50Hz,则指令格式中写入的计数初值应为( )
A.65536
B.16位全1
C.0
D.一个计数器无法实现
9.以下为Windows编程服务的是( )
A.DOS功能调用
B.BIOS调用
C.DPMI调用
D.宏调用
10.下列设备系统中,一般不直接与三总线连接的是( )
A.I/O接口
B.外设
C.ROM
D.RAM
11.除了保护模式中断使用IDT与中断描述符,而实模式中断使用IVT和中断向量之外,保护模式中断与实模式中断是相同的,它们用来从中断服务程序返回的指令是( )
A.RET
B.RETI
C.IRET
D.END
12.INS8250接口芯片实现的主要功能是( )
A.异步串行
B.同步串行
C.同步与异步串行
D.并行
13.82C55的A口工作于方式1输入,当A口允许中断时,需置1的控制位是( )
A.PC2
B.PC4
C.PC5
D.PC6
14.执行返回指令,退出中断服务程序,此时的返回地址来自( )
A.ROM区
B.IP
C.堆栈区
D.中断向量表
15.对于外设引发的可屏蔽中断,CPU的输入端引脚是( )
A.INTR
B.INT
C.CLK
D.ALE
16.与并行通信相比,串行通信的优点是( )
A.传送距离远
B.传送速度快
C.传送信号好
D.传送费用高
17.存放中断号为88H的中断向量的物理地址是( )
A.352~355
B.220H~223H
C.352H~355H
D.220~223
18.典型的接口电路中包含的端口类型有( )
A.数据端口
B.数据端口和控制端口
C.数据端口和状态端口
D.数据端口、状态端口和控制端口
19.8254的6种工作方式中,只可用硬件启动的是( )
A.方式2、5
B.方式1、2
C.方式1、5
D.方式3、1
20.下列关于8254方式3的描述,不正确的是( )
A.自动重装计数初值
B.OUT端输出对称的方波
C.输出波形的重复周期为置入的初值
D.当计数过程中,GATE为低电平时,计数单元停止对CLK的计数.
二、填空题(本大题共10小题,每小题1分,共10分)
请在每小题的空格中填上正确答案.错填、不填均无分.
21.异步通信要求每个字符传送都有起始位和_________.
22.GPIB系统的设备属性有控者、_________和听者三种.
23.异步串行接口通常提供三种错误指示是帧错、溢出错、_________.
24.HDLC定义的三种站是主站、_________和组合站.
25.经"0"位插入后,在链路上传输的数据为010111110110111110111,为透明传输,则用"0"删除技术处理后的用户数据为_________.
26.8254是一个有_________根引脚的可编程芯片.
27.在保护模式下,GDT表示_________.
28.PC/AT机系统机中,8254的计数器1专门用于动态随机存储器RAM的_________.
29.MC146818内部有_________个字节的CMOS RAM单元存放实时时钟和系统配置信息.
30.在计算机领域内通常把不可分的数据项叫做_________.
三、简答题(本大题共3小题,每小题5分,共15分)
31.简述中断向量及中断向量表的概念.
32.I/O端口的编址方式有几种,他们各自的特点是什么?
33.同步通信的基本思想是什么?同步通信规程分为哪两大类?
四、编程题(本大题共4小题,每小题7分,共28分)
34.完成下列程序段,从端口210H读数据,测试其是否为20H,若是,则从端口211H中输入一个数据,并将该数据的高四位清零,低四位送BL寄存器,否则程序转到NEXT.
MOV DX,(1)_________
(2)_________ AL,DX
(3)_________ AL,20H
(4)_________ NEXT
MOV DX,(5)_________
(6)_________ AL,DX
(7)_________
MOV BL,AL
……
NEXT:………
35.下列程序的功能是将中断号为0CH的中断例程的入口地址送入变量KEEPCS和KEEPIP中保存,(其中KEEPCS中保存该中断例程的段基址,KEEPIP中保存该中断例程入口的偏移地址)请完成该子程序.
KEEPCS DW ? ;保存0CH中断服务程序的段基址
KEEPIP DW ? ;保存0CH中断服务程序入口的偏移地址
READ PROC
PUSH AX
PUSH ES
PUSH BX
MOV AL,(1)_________
MOV AH,(2)_________
(3)_________
MOV KEEPCS,(4)_________
MOV KEEPIP,(5)_________
(6)_________
POP ES
(7)_________
RET
READ ENDP
36.假设82C55的A口工作在方式1输入,采用查询方式(程序控制方式)读取数据,请完成下列查询方式读取数据,并将该数据的低三位送BL寄存器的程序段,设82C55的端口地址为34CH~34FH.
SCAN: MOV DX,(1)_________
(2)_________
TEST AL,(3)_________
(4)_________ SCAN
MOV DX,(5)_________
(6)_________;读A口数据
(7)_________;取出低三位
MOV BL,AL
37.设系统外接一片8254,口地址为21CH~21FH,GATE1接+5V,CLK1接入的输入计数脉冲信号为4MHz,要求在OUT1端输出频率是2000Hz的脉冲信号,要求采用二进制计数方式,请完成下列的程序段.
MOV DX,(1)_________
MOV AL,(2)_________
OUT DX,AL ;写控制字
MOV DX,(3)_________
MOV AX,(4)_________
(5)_________
(6)_________
(7)_________ ;写计数初值




浙江自考网声明:
1、由于各方面情况的调整与变化,本网提供的考试信息仅供参考,考试信息以省考试院及院校官方发布的信息为准。
2、本网信息来源为其他媒体的稿件转载,免费转载出于非商业性学习目的,版权归原作者所有,如有内容与版权问题等请与本站联系。
浙江自考便捷服务
浙江自考网微信交流群
